臨時掲示板(名前は管理画面より変更してみた)
お知らせ文章(名前は管理画面より変更可能です)
HTMLタグ
が使えます
文字色
、
強調
、
下線
、
小文字
[
HOME
|
掲示板TOP
|
ツリー表示
|
一覧表示
|
トピック表示
|
記事検索
|
携帯用URL
]
1件ー4件(全4件)
<<
0
>>
■記事リスト
/
▼下のスレッド
[39]
1
Name:APEC 2019/11/08(金) 16:06:23
1. 社会資本整備に携わる技術者に求められる職業倫理行動規範についての記述として、誤っているものをa〜dのなかから選びなさい。
a. 職業倫理観と経営の間で葛藤が生じた場合、職業倫理観を欠いた安易な手段を選択することは、社会的信頼を失墜させ、業界の品位と権威を損なうとともに、自社および他社の経営を苦しめることになる。
b. 低価格入札は、経営戦略上の選択で、あったとしても、フェアな競争を阻害し市場を混乱させ、結果として実情にそぐわない単価や歩掛の設定を招くことになるため、厳に慎まなければならない。
c. 事業者、施工者との対等なパートナー関係を構築するためにも、自らの手で高品質な成果を生み出す技術の研慣に努め、求められる能力を常に発揮しなければならない。
d. 今後増加する設計・施工一括発注方式やコンストラクションマネジメント、PFI/pp Pなどによる事業に対応するために、工事契約を前提として施工者と密接に協力を進めていかなくてはならない。
引用返信
/
返信
[44]
Re: 1
Name:エリック 2019/11/08(金) 16:16:18
dだと思います。
ダミコンの時代を思い出します。
引用返信
/
返信
[45]
Re: 1
Name:やれやれ 2019/11/08(金) 16:34:04
d
工事契約を前提としてはダメだと思います。
引用返信
/
返信
[
返信
]
■記事リスト
/
▼下のスレッド
/
▲上のスレッド
[40]
2
Name:APEC 2019/11/08(金) 16:07:43
2. RCCMに求められる倫理を記載した「シピ、ルコンサルティングマネージャ(RCCM)倫理規定」の記述として、正しいものをa〜dのなかから選びなさい。
a. 中立・独立性の観点から、業務の遂行にあたっては、他の分野の専門技術者と協調することを避ける。
b. 中立・独立性の観点から、市民団体、学会、教会等の活動への積極的参加は控える。
c. 中立・独立性の観点から、依頼者の支払う報酬以外のいかなる利益も受け取らない。
d. 中立・独立性の観点から、業務上知り得た秘密は公に開示して公平な判断を仰ぐ。
引用返信
/
返信
■記事リスト
/
▼下のスレッド
/
▲上のスレッド
[41]
3
Name:APEC 2019/11/08(金) 16:11:56
3. 技術士や技術者の継続的な資質向上のための取組である C P D (C onti nu ingProfessional Development)の記述として、誤っているものをa〜dのなかから選びなさい。
a. RCCM更新登録に必要なCPD単位は、現在は登録申請月の前月から遡って4年間で100単位以上であるが、平成32年4月からは4年間で200単位以上に変更される予定である。
b. CPD単位は、特定の分野や形態に偏ることなく知識や技術を習得することが求められる。
c. RCCM更新登録に必要なCPD単位には、更新講習会受講およびRCCM教材DVDの自己学習の時間を含んでよい。
d. CPD記録について建設コンサルタント協会では、主催者から受講証明書や参加証明書等が発行されない場合でも、自分で受講証明書や参加証明書を用意して主催者の証明印をもらえば申請できる。
引用返信
/
返信
■記事リスト
/
▲上のスレッド
[42]
4
Name:APEC 2019/11/08(金) 16:13:58
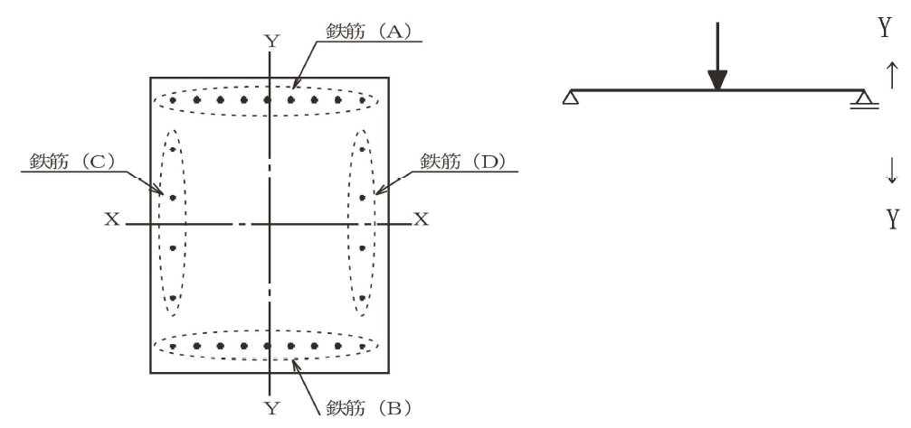
4. 右図に示すように単純梁に鉛直荷重が作用している。左図のような単純梁を構成する鉄筋コンクリートのスパン中央梁断面において、正曲げモーメントが作用している場合、主として引張応力を負担する鉄筋として正しいものをa〜dのなかから選びなさい。
a. 鉄筋(A)
b. 鉄筋(B)
c. 鉄筋(C)
d. 鉄筋(D)
1007×474 => 400×188
Q4-1_h30_04.jpg
/
32KB
引用返信
/
返信
[43]
Re: 4
Name:KO 2019/11/08(金) 16:14:47
b. 鉄筋(B)
引用返信
/
返信
[
返信
]
<<
0
>>
記事修正・削除
記事No
(半角数字)
削除キー
編集
削除
[
HOME
|
掲示板TOP
|
ツリー表示
|
一覧表示
|
トピック表示
|
記事検索
|
携帯用URL
]
-
Child Tree
-